|
本文由怡安家用电梯有限公司设计部提供,仅供别墅业主和装修设计师参考。 小型家用电梯(小型别墅电梯)因为位置局限,那么如何利用有限的位置设计出合理的电梯尺寸和开门方式就很重要。根据YIANLIFT怡安小型家用电梯(别墅电梯)的特点介绍几种设计方法。 一、合理化利用或改造家用电梯的预留位置,以楼梯间位置为例,电梯和步梯需要同时存在,既存在此消彼涨,也存在合理布局。 1、对于完全没有中空位置的折返楼梯,可以通过改造完成,如将原有折返楼梯改造为“L”型楼梯,也可以把楼梯间直接分为左右或前后两部分,都可以获得家用电梯预留位置。
折返楼梯改成L型楼梯图示
折返楼梯改成左右分割结构图示 2、对于三面环绕的楼梯中间位置,除了通过切割楼梯宽度获得更大的电梯预留位置,怡安家用电梯可按照前移井道做法获得更大的井道利用率,即把井道前墙和厅门放在每层的上下梁之间完成,这样把更多的楼梯中空位置留给上下运行的轿厢和轿门。 在怡安小型家用电梯看来,楼梯间前面的大梁都是可以有效利用的
注意井道的两根前立柱位置,这样能使轿厢深度比不前移做法增加150mm 3、通过切割楼板获得井道预留位置,每层卫生间数量较多的别墅可以利用其中一个各层都有卫生间的位置打通楼板,或者另选取一个不影响居室其他功能的位置上下打通楼板。 4、室外位置获得电梯井道位置,即常说的外挂小型家用电梯(别墅电梯),这样的位置通常比较大,只要不影响物业规划或左右邻居尽量电梯做得更大点。 二、充分利用既有的电梯井道预留位置合理设计电梯井道,获得更大的井道内径。 1、电梯井道预留位置较大的情况下,怡安家用电梯建议客户首选土建井道,这是从井道承重本身的力学角度考虑,井道和整个建筑融为一体有利于减震和降低运行声音,因为多好的钢结构都会有不同程度的震颤。 2、电梯井道预留位置较小的情况下,就得首选钢结构井道了,这是为了把更多的有效位置留给电梯,鱼与熊掌不可兼得,只能以获得满意尺寸的电梯考虑了。 通常客户自建钢结构井道都是以100mm×100mm的方管焊接,而怡安配套的钢结构井道是以钢板折弯烤漆工艺制成,井道壁厚实际只有50mm,能更大限度扩大井道内径。 三、合理设计家用电梯(别墅电梯)获得更实用、美观的轿厢和开门效果。 怡安小型家用电梯(别墅电梯)推荐轿厢导轨位于轿厢两侧的龙门架结构,根据客户的井道尺寸非标定制,参照下表:井道内径尺寸和轿厢内径尺寸的计算方法。
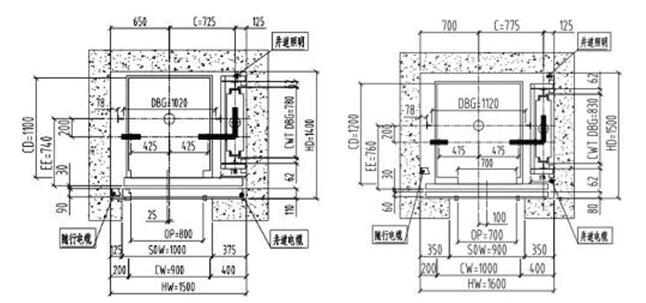
1、在井道尺寸较大时,怡安小型家用电梯(别墅电梯)常规设计方法:即以尽量满足轮椅进出的轿厢和自动开门方式为前提,如下图的标准260kg、320kg怡安家用电梯图纸。
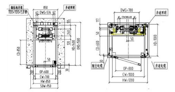
2、怡安小型家用电梯(别墅电梯)超小井道的两种常见龙门架结构设计方法:
有对重的龙门架结构 无对重的龙门架结构(强驱式) 3、关于曳引背包式结构的使用,通常怡安家用电梯不主张这种导轨位于轿厢同侧的设计,因为轿厢的重心是偏移的,但对于井道宽度很小(小于950mm)深度相对较大的情况,或顶层高度<3000mm的很小方形井道还是有一定的利用价值,因为这样的井道如果采用龙门架结构轿厢宽度太小,这样设计出的轿厢宽度相对较大点,更方便使用,但强调对重方向轿厢深度不能超过900mm,否则舒适感和稳定性会较差。怡安背包式小型家用电梯结构见下图:
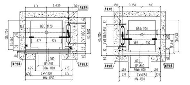
4、井道预留位置足够大时,怡安家用电梯建议按允许的最大尺寸做,这样并不会增加电梯成本,但轿厢内有效面积不能超过1.6平方米,常见的有四个规格轿厢内径分别是1100mm×1400mm、1200mm×1300mm、1300mm×1200mm、1150mm×1350mm。
5、关于开门方式和开门宽度。怡安小型家用电梯推荐自动中分门,因为使用更加方便也更美观,但有些井道确实受尺寸限制,在此客户可根据下面计算方法推算开门方式。 自动中分门宽度×2+150mm=井道内径宽度,最小开门宽度600mm 旁开折叠门宽度×1.5+250mm=井道内径宽度度,最小开门宽度600mm 手拉门宽度+280mm=井道内径宽度,没有最小开门度要求。 |

















